オメガ 熱電対ミニコネクタ用パネルジャック MPJシリーズ
ミニコネクタを複数管理できるパネル取付けタイプの熱電対コネクタ。
熱電対や補償導線とミニコネクタを接続するのに最適な設計がされています。
標準サイズ用コネクタのSPJに比べ、設置面積約半分の省スペース設計。
同梱のスプリングクリップや角度付きの端子ネジにより、効率的な設置が可能。
■熱電対ミニチュアサイズコネクタ用
■設置後の配線に便利な角度付き端子ネジ
■外径0.8mmまでの撚線または単線に適合
■スプリングクリップで簡単取付け
■スプリングクリップ・ダストキャップ付属
大量注文もお任せ!3万円以上で送料無料!お見積りはお気軽にお問い合わせください!
| 製品名 | 価格 |
|---|---|
商品コード OCK-016-31
K熱オメガミニチュアコネクタ用パネルジャック(メス) MPJ-K-F
即納
|
税別 1,100円 (税込 1,210円) |
商品コード OCT-002-31
T熱オメガミニチュアコネクタ用パネルジャック(メス) MPJ-T-F
即納
|
税別 1,100円 (税込 1,210円) |
仕様
| 型式 | MPJ-K-F | MPJ-T-F |
|---|---|---|
| 取り扱い熱電対タイプ | K熱 | T熱 |
| 極性 | メス | メス |
| 色 | 黄色 | 青色 |
| 耐熱温度 | -29~180℃ | |
| 重量 | 約10g | |
| 材質 | ガラス充填ナイロン | |
| カラーコード | ANSI | |
| 適合サイズ | 外径0.8mmまでの撚線または単線に適合 | |
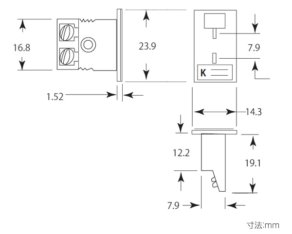
寸法図
パネルカット寸法
- ■パネルカット寸法: 8.1 x 16.8 mm
- ■並列設置のパネルカットピッチ: 14.3 mm
- ■縦列設置のパネルカットピッチ: 23.9 mm
- ■パネルの厚み: 2.3 ~ 4.5mm
こちらの製品もいかがですか?- 関連製品 -
T熱オメガミニコネクタ SMPW-T-M(オス) / SMPW-T-F(メス)
T熱電対用のオメガ社製ミニチュアコネクタ。 書き込み用小窓付きタイプ。 単線又は、20AWGまでの撚り線仕様可能。 ミニコネクター対応機種に接続可能。
K熱オメガミニコネクタ SMPW-K-M(オス) / SMPW-K-F(メス)
K熱電対用のオメガ社製ミニチュアコネクタ。 書き込み用小窓付きタイプ。 単線又は、20AWGまでの撚り線仕様可能。 ミニコネクター対応機種に接続可能。
ケーブルクランプ付ミニコネクタ STPW-CC シリーズ
熱電対の接続トラブルを防ぐ「ケーブルクランプ付きミニプラグコネクタ」 クランプ付きコネクターは熱電対線や補償導線の捻じれを強力に防止する為、コネクター接続部分の断線確率を大幅に軽減することが可能です…







