ITM-9001 低濁度計(低濁度センサー)
上水・下水処理場や河川・向上排水の濁り度合を測定。
センサーで濁りをチェック。
連続的な簡易モニタリングが実現します。
濁度チェッカー変換器SC-01 Proとの組み合わせで、信号出力応答時間・警報レベル設定などが可能です
・センサー面についた汚れを清掃するワイパーが装備された長期連続観測用の超低濃度濁度計
・投げ込み式で低濁度チェック
・耐久性に優れたサファイアガラス採用
・濁度測定範囲: 0 – 4000 (NTU)
・セルフワイパーで「ガラス面」自動ふき取り洗浄
・RS485/Modbus 通信プロトコル
・抗腐蝕 SUS 316L
・耐酸性、耐アルカリ性 pH 4-10
・防水レベル: IP68 / 水下10m
・ISO-7027 / EN-27027に適合
・飲用水(水道)、 ろ 過水試験に適合
| 製品名 | 価格 |
|---|---|
商品コード WTU-012-01
ITM-9001 低濁度計(低濁度センサー)
|
|
商品コード WTU-011-01
ITM-2201 濁度・透視度センサ 2-in-1
|
|
商品コード WCO-001-01
ICO-8001 光学式COD (化学酸素要求量) センサ
|
|
商品コード WCT-011-01
SC-01PRO コントローラ(ユニバーサル変換器)
|
用途
排水の監視
工場の排水処理施設や除外施設などに設置することで、河川や下水道に 放流する排水の濁度を監視することが可能になります。 手分析では大変だった日変動や時間変動を把握することで、 よりきめ細かい管理を行うことができます。
上水の濁度管理
簡易上水の原水濁度を測定し、その濁度に応じて取水するポンプおよび バルブの制御を行うことで、原水ピットの濁度を安定した状態に保つことが可能になります。
濁度センサーの特長
検出窓の洗浄は自動セルフワイパーでガラス面を拭きとり方式。
検出窓の洗浄は、ワイパーで拭き取る方式なので確実に汚れが取れ、 1ヶ月に1度窓面を確認するだけの簡単メンテで手間がかかりません。
サファイアガラスでらくらく掃除
傷つきにくいサファイアガラス採用により、メンテナンスの際、窓面をゴシゴシ丸洗いしても大丈夫です。
表示器コントローラーSC-01 Pro(ユニバーサル変換器)の特長
さまざまな水質測定機器を1台で対応 操作性と拡張性を向上させたユニバーサル変換器

1台でさまざまな水質項目を測定でき、システム拡張性を向上させた変換器
直感的で分かりやすい操作性
イメージしやすいアイコン付き操作ボタンと表示画面により、誰でも簡単に設定することができます 暗い場所でもはっきり見える操作パネルとモニター画面
使い勝手の良い端子台と分かりやすい配線
・3.5” フルカラーディスプレイ
・5セット RS485/Modbus 入力
・6セット 0-4-20 mA 出力 =>8セット
・RS485/Modbus 出力
・8セットリレー =>6セット
・Wifi 送信サポート / SD Card記録
・金属製プロテクトハウジング
・防水レベル IP65
表示器コントローラーSC-01 Pro(ユニバーサル変換器)の仕様
| ディスプレイ | 3.5インチフルカラー画面
480mm (L) * 320mm (W) |
|---|---|
| 入力電圧 | AC 100 ~ 240V |
| 出力電圧 | DC 24V |
| ケース | アルミニウム合金、塗装仕上げ |
| 防水等級 | IP65 |
| センサー入力 | RS485/Modbus 5系統 |
| アナログ出力 | 4-20mA 8組 |
| リレー出力 | 6 セット |
| データ記録 | マイクロSDカード |
接続可能検出器

濁度チェッカー:上水・下水処理場や河川・向上排水の濁り度合を測定
SSチェッカー:向上排水などに含まれる浮遊懸濁物質を測定
濁度センサーの仕様
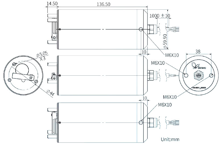
超低濁度センサーITM-9001
ケーブルの長さは標準10m
| 濁度測定範囲 | 0-4,000 (NTU) |
|---|---|
| 精度 | 0.01NTU |
| SS 測定レンジ | 0-30,000 (mg/L) |
| 使用電圧 | 12~24V |
| 機能 | セルフワイパーでガラス面自動ふき取り洗浄
エラー自己報告機能 耐傷性サファイアウィンドウ付き |
| ケース材質 | SUS316L |
| 耐酸・耐アルカリ | pH4~10 |
| 使用温度 | 0~40℃
自己温度補償機能付き |
| 防水等級 | IP68 (水中2メートル) |
| 通信プロトコル | RS485/Modbus (最大 50m) |

2-in-1濁度・透視度センサ ITM-2201
| 濁度測定範囲 | 0~4,000(NTU) |
|---|---|
| SS測定範囲 | 0~8,000(mg/L) |
| 透過率測定範囲 | 0~100(%) |
| 使用電圧 | 12~24V |
| 機能 | セルフワイパーでガラス面自動ふき取り洗浄
耐傷性サファイアウィンドウ付き |
| ケース材質 | SUS304 |
| 耐酸・耐アルカリ | pH4~10 |
| 使用温度 | 0~40℃(自己温度補償機能付き) |
| 防水等級 | IP68(前面4kgf/cm2) |
| 通信プロトコル | RS485/Modbus (最大 50m) |

光学式CODセンサ ICO-8001
| COD測定範囲 | 0~300(mg/L) |
|---|---|
| 使用電圧 | 12~24V |
| 機能 | セルフワイパーでガラス面自動ふき取り洗浄
耐傷性サファイアウィンドウ付き 光学干渉を排除する能力 エラー自己報告機能 |
| ケース材質 | SUS316L |
| 耐酸・耐アルカリ | pH4~10 |
| 使用温度 | 0~40℃(自己温度補償機能付き) |
| 防水等級 | IP68(水深2m) |
| 通信プロトコル | RS485/Modbus (最大 50m) |








