サトテック
HJ-TRCO2 CO2トランスミッター サトテック
液晶表示部にリアルタイムでCO2濃度を表示
CO2トランスミッターHJ-TRCO2は、周囲のCO2二酸化炭素濃度を検出し、アナログ出力に変換する装置。
壁掛け式で、前面の液晶部にCO2濃度を表示します。
ディスプレーにCO2濃度・温度・湿度を検知、表示する
CO2、温度、湿度の制御が可能。
・ディスプレーにCO2濃度・温度・湿度を検知、表示する汎用トランスミッター
・CO2、温度、湿度の制御が可能
・CO2濃度を5000ppmまで高精度に測定。温度:-20℃~60℃ 湿度:0 ~100%RH
・最新のNDIR(赤外)方式を採用したメンテナンスフリー、ローコスト
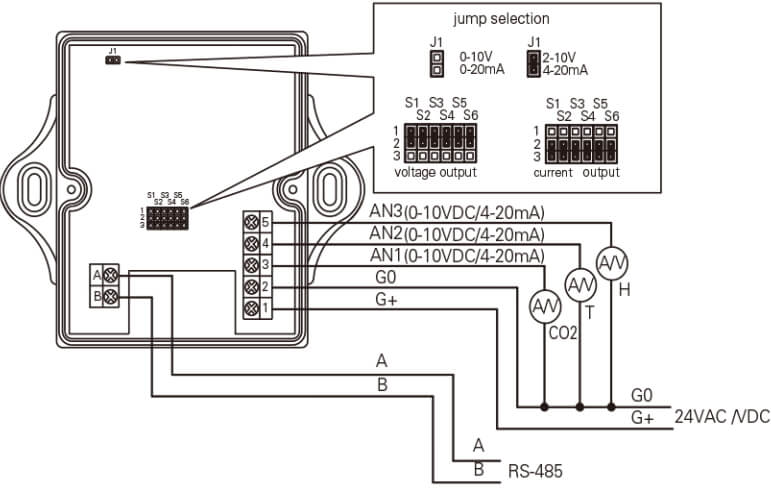
・アナログ出力:0~10VDC、もしくは、4~20mA(電圧出力又は電流出力をジャンパピンで選択可能)
2021年11月1日に、経済産業省より策定された「二酸化炭素濃度測定器の選定等に関するガイドライン」の要件を満たしているサトテックCO2計は、光学式(NDIR)、補正機能つきで安心の二酸化炭素濃度測定器です。
大量注文もお任せ!お見積りはお気軽にお問い合わせください!

サトテック CO2トランスミッター/コントローラーHJ-TRCO2+デジタル表示器セット HJ-PM-TRCO2でハウス内の二酸化炭素(CO2)濃度を検知。炭酸ガス発生機と接続することによって、任意の設定濃度で自動的にON/OFFが可能です。
HJ-TRCO2 CO2トランスミッター サトテックの特長
NDIR方式(非分散型赤外線吸収法)の採用により、長期的に安定した測定が可能
■ リアルタイム検出機能
■ NDIRセンサーによる自動校正
約1週間のデータで自動に補正 (定期的に新鮮な雰囲気の環境が必要)
■ バックライト機能
■ 壁面に簡単設置
■ IP54防塵防水規格準拠
■ 設置が簡単なので人気
■ 別売りの表示器で外部接点(リレー出力)による換気扇等の自動制御が可能
別売り電圧データロガー MCR-4Vを使用した場合の接続図

HJ-TRCO2 CO2トランスミッター サトテックの用途
・農業用ビニールハウス内CO2濃度コントロール
・化学工場、食品/飲料工場、ワイナリー/ビール工場
・廃棄物処理場、排水処理場
・食物倉庫、フルーツ/野菜倉庫
・車/鉄道/トラム
HJ-TRCO2 CO2トランスミッター サトテック の仕様
| 二酸化酸素 | センサー | NDIRセンサー | |
| 測定範囲 | 0 ~ 5000 ppm | ||
| 精度(22 ℃) | ±(60 ppm+3%rdg) | ||
| 応答速度 | 90%応答にて5分未満(気体が低速で攪拌状態の場合) | ||
| ダクト風速 | 0 ~ 450 m/min | ||
| 圧力依存性 | 読取値の0.135 %(mm/Hg毎) | ||
| 温度依存性 | 0.2 %FS(℃) | ||
| 稼働準備時間 | 10分(ただし初回は24時間) | ||
| 温度・湿度 | - |
温度 |
湿度 |
| センサー | BAND-GAPセンサー | 静電容量式湿度センサー | |
| 表示範囲 | -20℃~60℃ | 0 ~ 100 %RH | |
| 精度 | ±0.5 ℃
(25 ℃) |
±3 %RH
(25 ℃・40 ~ 60 %RH) | |
| 分解能 | 0.1 ℃ | 0.1 %RH | |
| センサードリフト | ±0.1 ℃(年) | 0.1 %RH(年) | |
| IP規格 | IP54 | ||
| 電源供給 | 24VAC(50/60Hz±10 %)、24VDC | ||
| 消費電力 | 平均0.8 W・最大1.8 W | ||
| アナログ出力 | 0 ~ 10 VDC、4 ~ 20 mA(初期値)
(電圧出力または電流出力をジャンパピンで選択可能) | ||
| 使用環境温度 | -20 ℃ ~ 60 ℃ | ||
| 使用環境湿度 | 0 ~ 95 %RH | ||
| 保管環境温度 | 0 ~ 70 ℃ | ||
| 重量 | 約240 g | ||
| サイズ | 高さ169 mm×幅123.5 mm×厚さ50 mm | ||
| 標準付属品 | 取扱説明書 | ||
HJ-TRCO2 CO2トランスミッター サトテック の寸法

HJ-TRCO2 CO2トランスミッター サトテックの設置について
二酸化炭素(CO2)は空気より重いので、床から45cmの高さが適当です。
CO2トランスミッターHJ-TRCO2の結線図


HJ-TRCO2 CO2トランスミッター サトテックの事例
警報器やデータロガー機器との組合せ参考例

こちらの製品もいかがですか?- 関連製品 -
警報灯 HJ-AL22(ブザー音付き)サトテック
ブザー音付き警報灯がおすすめ。・ランプ発光フラックス:1000 lm ・ボリューム:最大110 dB(1mの距離) ・ブザー音の設定が可能(断続音・サイレン・継続音) ・ライト点灯の設定が可能(…







